
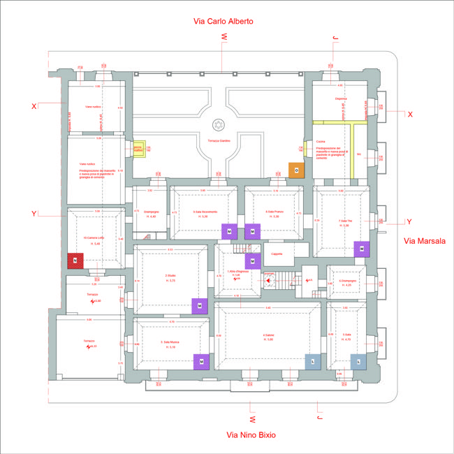
Nel marzo 2023, nell’ambito dei progetti facenti parte del PNRR di Rigenerazione Urbana della provincia di Ragusa, ho avuto modo di curare il Progetto di fattibilità tecnica ed economica di Palazzo Ricca, edificio nobiliare nel centro storico della città di Vittoria. Trattandosi di un restauro conservativo, ho ritenuto che la destinazione d’uso degli ambienti del Palazzo fosse riservata, prevalentemente, ad attività connesse alla rappresentanza degli uffici comunali, rispettando il principio di sostenibilità dell’opera. La città di Vittoria, la cui fondazione risale al 1607, ha sviluppato il suo centro storico fino alla seconda metà dell’800 con edifici della alta e media borghesia, quali uniche testimonianze dell’architettura di quel secolo. Dagli inizi del XVIII e per tutto il XIX secolo, l’impianto urbanistico della città, come in molte città europee, si sviluppò lungo delle direttrici ortogonali generando una vera e propria “scacchiera” nella quale sono sorte le costruzioni più importanti del tempo. Palazzo Ricca è uno degli edifici più rappresentativi dell’epoca, realizzato secondo una matrice neo – classica e con elementi architettonici formali che ne caratterizzano la struttura. La realizzazione del Palazzo, ubicato nell’isolato compreso tra via Nino Bixio, via Carlo Alberto ad angolo con Via Marsala, risale ai primi anni del XVIII secolo. I lavori di completamento dell’edificio durarono fino alla metà del ‘700, periodo in cui vennero eseguite le finiture architettoniche esterne. Intorno alla metà dell‘800, il pittore Luigi Giordano da Messina ha realizzato le pregevoli decorazioni Liberty sia nelle volte, sia alle pareti delle sale del piano nobile del palazzo. Le pavimentazioni delle varie sale si distinguono l’una dall’altra. Nel salone, originariamente, era presente un pavimento in ceramica smaltata proveniente dalla scuola ceramista della vicina Caltagirone. Oggi trafugato, è in attesa di ripristino mediante l’intervento di restauro in programma. Degno di nota è il giardino pensile ricavato a primo piano, di impostazione planimetrica rinascimentale, esso è costituito da quattro vialetti realizzati con orlature originariamente in pietra pece con al centro una piccola fontanella in pietra calcarea bianca. I rilievi in situ e le analisi eseguite in relazione all’importanza dell’opera, hanno suggerito una serie di interventi prioritari in relazione al quadro economico di spesa, mirati al suo recupero funzionale. Considerando lo stato di conservazione in cui versa l’edificio, l’intervento prevede il consolidamento delle strutture, il rifacimento della copertura, il restauro conservativo dei prospetti e l’adeguamento funzionale finalizzato ad una destinazione d’uso flessibile e rispettosa dell’edificio storico. L’intervento di restauro, dunque, consisterà nel conservare ciò che il tempo ha lasciato, senza operare ricostruzioni posticce e/o superfetazioni, valorizzando, contestualmente, ciò che è rimasto e assicurando la pura leggibilità dell’intervento operato. La redazione del progetto di restauro, è stata suddivisa in due fasi preliminari di analisi. Una relativa alle superfici murarie, mediante la mappatura del degrado e il rilievo dei danni (Lessico Normal 1/80 – Normal 1/88 del CNR). L’altra relativa alle strutture, mediante l’analisi del quadro fessurativo finalizzato all’interpretazione del linguaggio delle lesioni presenti sui setti murari dell’edificio. Con l’acquisizione dei pareri e l’appalto dei lavori avvenuto nell’estate del 2023, è auspicabile che l’intervento di restauro e consolidamento di Palazzo Ricca possa andare a buon fine.